Контакты
Новости
Каталоги
 Войти
Сортировать:
Сначала новые
Сначала старые
Цена ↑
Цена ↓
Кол-во ↑
Кол-во ↓
Имя A→Я
Имя Я→A
Серийник ↑
Серийник ↓
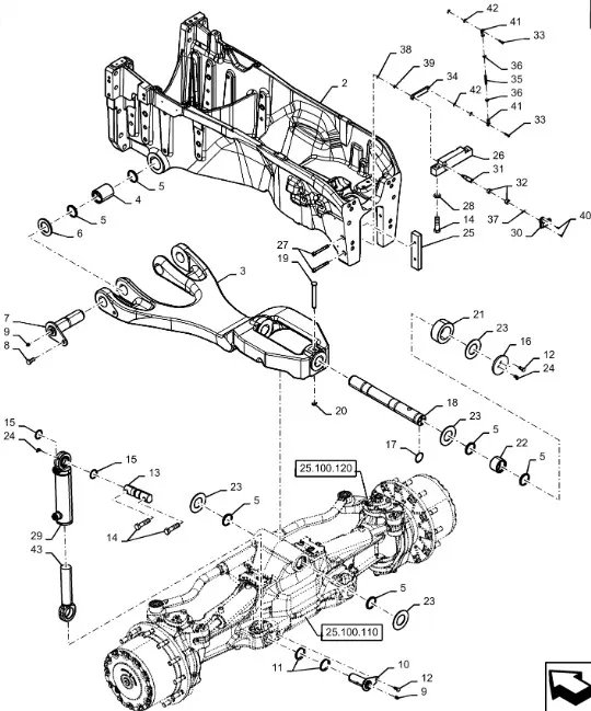
84409313 - фиксатор
3 928 ₽
84452094 - штифт с головкой
4 268 ₽
87695624 - Текстолитовая плата
19 386 ₽
87695625 - Заглушка разъема
59 ₽
87695638 - Электрический разъем
81 ₽
87695646 - соединитель
16 ₽
87695651 - разъем
89 ₽
87695682 - Втулка предохранительная
723 ₽
87695686 - головка
1 393 740 ₽
87695722 - Комплект уплотнительных колец
32 852 ₽
87695723 - разъем
321 ₽
87695724 - корпус
343 ₽
ANGLE
4 470 ₽
SPACER
4 470 ₽
PIPE
4 470 ₽
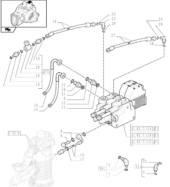
87695799 - шланг
9 967 ₽
DECAL
4 470 ₽
COVER
4 470 ₽
UNION
4 470 ₽
87695841 - датчик
19 887 ₽
87695891 - колодка
1 789 ₽
87695896 - Обогреватель
14 154 ₽
87695913 - коннектор
855 ₽
87695915 - контакт
193 ₽
«
<
1
...
34104
34105
34106
34107
34108
...
34117
>
»
Страница:
Перейти